Hệ thống gạt mưa trên xe Chevrolet Cruze 2010 là một thành phần thiết yếu, đảm bảo tầm nhìn rõ ràng cho người lái trong các điều kiện thời tiết bất lợi. Bài viết này sẽ cho chúng ta hiểu rõ về cấu tạo, nguyên lý hoạt động, các tính năng điều khiển, thông số kỹ thuật phụ tùng, sơ đồ điện, cũng như các sự cố thường gặp và hướng dẫn khắc phục chi tiết.

1. Giới thiệu chung
Hệ thống gạt mưa trên xe Chevrolet Cruze 2010:
- Là một thành phần an toàn thiết yếu, đảm bảo tầm nhìn rõ ràng cho người lái trong các điều kiện thời tiết bất lợi. Chức năng chính của hệ thống là loại bỏ nước mưa, bụi bẩn, và các mảnh vụn khỏi bề mặt kính chắn gió. Việc duy trì tầm nhìn tốt giúp người lái phản ứng kịp thời với các tình huống giao thông, giảm thiểu nguy cơ tai nạn.
Hệ thống gạt mưa trên Chevrolet Cruze 2010 được phân loại thành hai dạng cơ bản:
- Hệ thống gạt mưa thông thường và hệ thống gạt mưa tự động (Rainsense) trên các phiên bản cao cấp.
- Cả hai đều có chức năng chính là làm sạch kính lái, nhưng phiên bản Rainsense được bổ sung tính năng cảm biến mưa để tự động điều chỉnh tốc độ gạt.
2. Nội dung chính
2.1. Cấu tạo
Hệ thống gạt mưa trên Chevrolet Cruze 2010 bao gồm các bộ phận chính sau:
Mô tơ gạt mưa (Wiper Motor)
Cơ cấu truyền động và thanh nối (Linkage and Transmission Assembly)
Cần gạt và lưỡi gạt mưa (Wiper Arms and Blades)
Công tắc điều khiển gạt mưa (Wiper Control Switch/Stalk)
Cảm biến mưa (Rainsense Sensor)
Hệ thống rửa kính chắn gió (Washer System)
2.2. Nguyên lý hoạt động
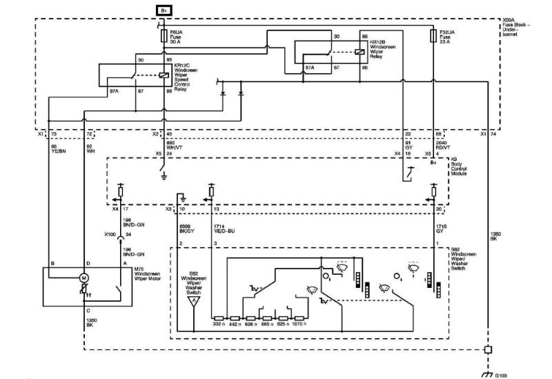
Khi người lái chọn chế độ gạt mưa trên cần điều khiển, tín hiệu sẽ được gửi đến Mô-đun điều khiển thân xe (BCM – Body Control Module). Tín hiệu đầu tiên mà BCM nhận được là kết quả của 6 điện trở trong công tắc gạt nước phía trước được cấu hình như một mạng thang điện trở. Tín hiệu này được kết nối với đầu vào tương tự sang số của BCM.
Tùy thuộc vào chức năng được chọn (Sương mù, Tắt, INT, Cao, Thấp), công tắc điều khiển gạt nước phía trước kết nối một bộ điện trở khác nhau vào mạch, dẫn đến các điện áp khác nhau xuất hiện trên đầu vào của BCM.
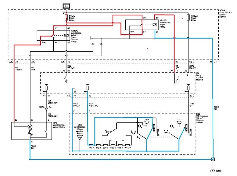
Sơ đồ mạch điện gạt mưa Cruze 2010:
- Chế độ sương mù (MIST): Khi công tắc gạt chế độ (MIST) thì chế độ này hoạt động tương tự như chế độ gạt chậm (LO) nhưng chế độ này sẽ tự động tắt tài xế buông tay khỏi cần gạc.
- Chế độ gạt chậm (LO): Khi công tắc gạt chế độ (LO) thì công tắc sẽ lấy mass từ chân số 2 đi đến chân số 3 thông qua một điện trở (332Ω), BCM nhận tín hiệu chân số 13 (giắc X3) và cấp điện áp dương cho relay tốc độ chậm tại chân chân 22 (giắc X2) hộp cầu chì ngoài xe, lúc này tiếp điểm relay đóng điện áp dương từ cầu chì số 6 (30A) đi đến chân 73 (giắc X1) hộp cầu chì ngoài xe thông qua tiếp điểm thường đóng relay tốc độ cao đến chân B mô tơ thông qua chân C mô tơ đi về mass, làm mô tơ quay ở tốc độ thấp.

- Chế độ gạt nhanh (HI): Khi công tắc gạt chế độ (HI) thì công tắc sẽ lấy mass từ chân số 2 đi đến chân số 3 thông qua một điện trở (332Ω) và chân số 1, BCM nhận tín hiệu chân số 13 và số 20 (giắc X3), cấp điện áp dương cho relay tốc độ chậm tại chân chân 22 (giắc X2) hộp cầu chì ngoài xe và cấp mass cho relay tốc độ cao tại chân 45 (giắc X2) hộp cầu chì ngoài xe, lúc này tiếp điểm hai relay đóng điện áp dương từ cầu chì số 6 (30A) đi đến chân 72 (giắc X1) hộp cầu chì ngoài xe thông qua relay tốc độ chậm và relay tốc độ cao đến chân D mô tơ thông qua chân C mô tơ đi về mass, làm mô tơ quay ở tốc độ cao.

- Chế độ gạt gián đoạn (INT): Khi công tắc gạt chế độ (INT) thì công tắc sẽ lấy mass từ chân số 2 đi đến chân số 3 thông qua sáu điện trở (1070Ω), (825Ω), (665Ω), (536Ω), (442Ω) và (332Ω), BCM nhận tín hiệu chân số 13 (giắc X3) cấp và ngắt điện áp dương theo từng chu kỳ cho relay tốc độ chậm tại chân chân 22 (giắc X2) hộp cầu chì ngoài xe lúc này tiếp điểm relay đóng ngắt liên tục điện áp dương từ cầu chì số 6 (30A) đi đến chân 73 (giắc X1) hộp cầu chì ngoài xe thông qua tiếp điểm thường đóng relay tốc độ cao đến chân B mô tơ thông qua chân C mô tơ đi về mass, làm mô tơ quay ở tốc độ thấp có chu kỳ. Khoảng thời gian giữa các lần gạt có thể được điều chỉnh bằng cách xoay vòng trên cần điều khiển để thay đổi các điện trở theo ý của tài xế.

- Mô tơ về đúng vị trí khi về OFF: Khi công tắt về vị trí off, tín hiệu mass từ chân A mô tơ gửi về chân 17 (giắc X4) tại hộp BCM lúc này sẽ ngắt điện áp dương relay tốc độ chậm tại chân chân 22 (giắc X2) hộp cầu chì ngoài xe làm cho mô tơ ngừng đúng vị trí.


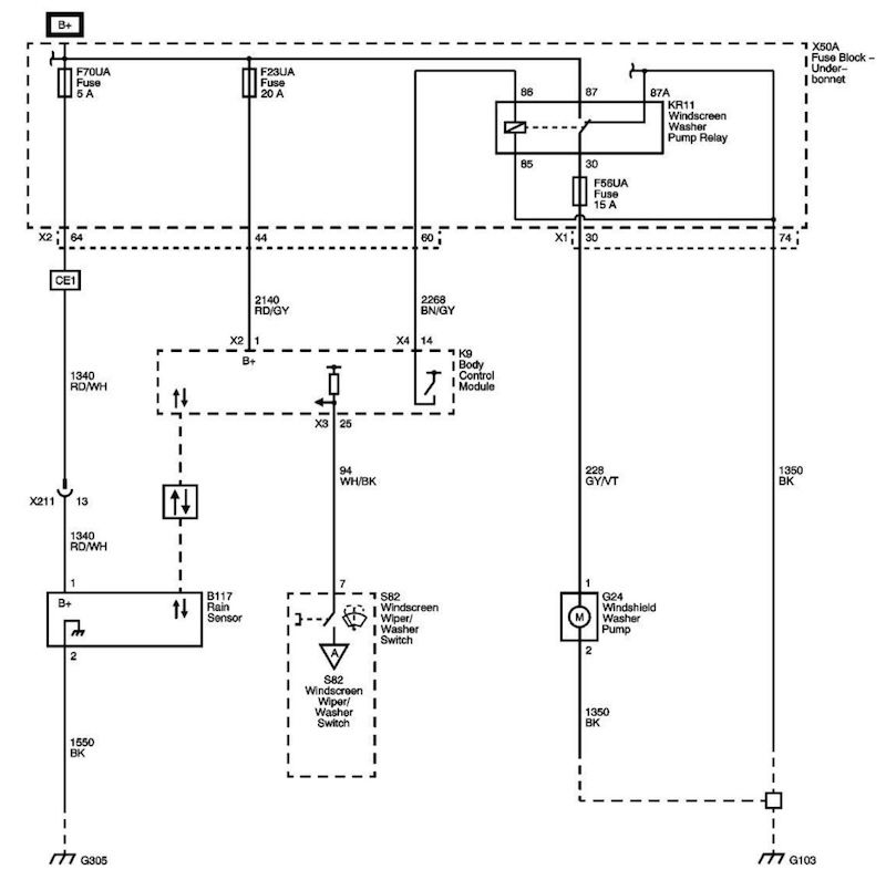
- Chế độ Rainsense: Cảm biến mưa phát ra chùm sáng hồng ngoại lên kính. Khi có giọt nước, lượng ánh sáng phản xạ trở lại cảm biến sẽ giảm. Dựa trên sự thay đổi này, cảm biến gửi tín hiệu đến BCM để điều khiển mô tơ gạt mưa. Mức độ giảm ánh sáng càng lớn, BCM sẽ kích hoạt tốc độ gạt càng nhanh.
Khi người lái kéo cần điều khiển để rửa kính, tín hiệu sẽ kích hoạt cầu chì số 56 (15A) và bơm nước rửa kính, đẩy dung dịch từ bình chứa qua vòi phun. Sau đó, BCM sẽ tự động kích hoạt gạt mưa để làm sạch kính.
2.3. Thông số kỹ thuật cơ bản
– Kích thước lưỡi gạt mưa:
- Bên lái: 24″ (600mm)
- Bên phụ: 18″ (450mm)
- Phía sau: 14″ (350mm) (nếu có)
– Kiểu chân gắn lưỡi gạt: Móc câu (J-Hook Type).
– Dung tích bình chứa nước rửa kính: Khoảng 1 lít.
– Thông số điện:
- Cầu chì gạt mưa chính: Cầu chì số 6 (30A).
- Cầu chì bơm nước rửa kính: Cầu chì số 56 (15A).
- Cầu chì cảm biến mưa: Cầu chì số 70 (5A) (trên các phiên bản có Rainsense).
2.4. Cách kiểm tra và thay thế
2.4.1 Kiểm tra công tắc
Quy trình:
- Kiểm tra công tắc khi bật chế độ (MIST): Bật đồng hồ thang đo ôm và gạt công tắc sang chế độ mist, đo đầu ra công tắc chân số 3 nếu công tắc tốt đồng hồ sẽ hiển thị (332Ω).
- Kiểm tra công tắc khi bật chế độ (LO): Bật đồng hồ thang đo ôm, đo đầu ra công tắc chân số 3 nếu công tắc tốt đồng hồ sẽ hiển thị (332Ω).
- Kiểm tra công tắc khi bật chế độ (HI): Bật đồng hồ thang đo ôm, đo đầu ra công tắc chân số 3 nếu công tắc tốt đồng hồ sẽ hiển thị (332Ω) và bật đồng hồ tiếp thang đo thông mạch kiểm tra chân 2 với chân số 1 sẽ thông với nhau.
- Kiểm tra công tắc khi bật chế độ (INT): Bật đồng hồ thang đo ôm, đo đầu ra công tắc chân số 3 và vặn nút chỉnh thời gian trên công tắc trở sẽ thay đổi.
2.4.2 Kiểm tra cầu chì và rơ le
Vị trí: Hộp cầu chì chính nằm dưới nắp ca-pô, cạnh ắc quy.

Quy trình:
- Mở nắp hộp cầu chì. Sơ đồ thường được in ở mặt sau nắp.
- Sử dụng kẹp rút cầu chì để tháo các cầu chì liên quan (cầu chì số 6, cầu chì số 56, cầu chì số 70).
- Kiểm tra bằng mắt thường hoặc dùng đồng hồ vạn năng để xem cầu chì có bị cháy (đứt dây) hay không.
- Có thể hoán đổi rơ le gạt mưa (relay số 4 và relay số 5) với một relay cùng loại đang hoạt động tốt để xác định lỗi.

2.4.3 Thay thế lưỡi gạt mưa
Dụng cụ: Lưỡi gạt mưa mới đúng kích thước và kiểu chân.
Quy trình:
- Nâng cần gạt lên khỏi kính. Cẩn thận để cần không bật trở lại.
- Bóp chốt trên cần gạt để tháo lưỡi gạt cũ.
- Lắp lưỡi gạt mới vào, đảm bảo chốt khớp chắc chắn.
- Đặt cần gạt về vị trí ban đầu và kiểm tra hoạt động. Luôn thay cả hai lưỡi gạt phía trước cùng lúc.
2.5. Chia sẻ và mở rộng
Một số hư hỏng thường gặp:
- Gạt mưa không hoạt động: Nguyên nhân phổ biến nhất là cầu chì bị cháy, rơ le hỏng, hoặc mô tơ gạt mưa bị lỗi. Đây là lỗi chiếm khoảng 75% các trường hợp gạt mưa không hoạt động.
- Gạt mưa làm sạch không hiệu quả hoặc gây ồn: Thường do lưỡi gạt mưa bị mòn, chai cứng, hoặc bị bám bẩn.
- Hệ thống rửa kính không phun nước: Có thể do hết nước rửa kính, vòi phun bị tắc, hoặc bơm nước hỏng.
Kinh nghiệm chẩn đoán: Bắt đầu từ những bước đơn giản nhất. Nếu gạt mưa không hoạt động, hãy kiểm tra cầu chì trước khi nghĩ đến việc thay mô tơ. Nếu gạt mưa gây ồn, hãy thử vệ sinh lưỡi gạt và kính trước khi mua lưỡi gạt mới.
Mở rộng: Gạt mưa không chỉ có loại truyền thống mà còn có các loại lưỡi gạt hiện đại hơn như lưỡi gạt Hybrid hoặc lưỡi gạt khí động học (Aero Wiper). Việc nâng cấp lên các loại này có thể cải thiện đáng kể hiệu suất làm sạch, giảm tiếng ồn và tăng tuổi thọ.
Trên đây là toàn bộ thông tin về chủ đề hệ thống gạt mưa xe Cruze 2010 mà trung tâm VATC muốn gửi đến bạn. Hy vọng bài viết này sẽ bổ ích và hữu dụng với bạn.
Nếu bạn có đang đam mê hoặc muốn tìm hiểu về các khóa học trong ngành ô tô thì liên hệ ngay với trung tâm VATC theo thông tin dưới đây để được tư vấn chi tiết nhất nhé!
Trung Tâm Huấn Luyện Kỹ Thuật Ô Tô Việt Nam – VATC
- Địa chỉ: Số 4-6, Đường số 4, Phường Hiệp Bình Phước, Thành Phố Thủ Đức, Thành phố Hồ Chí Minh
- Điện thoại: 0945711717
- Email: info@oto.edu.vn
Xem thêm:










