Mã lỗi B1423 Pressure Switch Circuit thường liên quan đến cảm biến áp suất hoặc mạch điều khiển trong hệ thống điều hòa ô tô. Khi lỗi này xảy ra, hệ thống A/C có thể ngừng hoạt động hoặc làm mát kém. Bài viết sẽ hướng dẫn bạn cách xác định nguyên nhân, kiểm tra tín hiệu cảm biến, mạch điện và thực hiện các bước sửa chữa chi tiết để khắc phục mã lỗi B1423, đảm bảo hệ thống điều hòa hoạt động bình thường trở lại.
1. Mô tả mã lỗi B1423
Mã lỗi B1423 được đưa ra khi áp suất môi chất bên trong hệ thống quá thấp (dưới 2,0 kgf/cm2) hoặc quá cao (trên 32,0 kgf/cm2). Sau đó, công tắc áp suất gửi tín hiệu này đến bộ khuếch đại tín hiệu điều hòa không khí (hộp A/C Amplifier).
Công tắc áp suất có các công tắc tích hợp để phát hiện áp suất cao, thấp và sẽ ngắt khi xác định một trong hai công tắc bị lỗi. Hộp A/C Amplifier liên tục theo dõi tín hiệu công tắc áp suất sau khi tài xế bật chìa khóa IG ON. Khi phát hiện tín hiệu trạng thái của công tắc đang ngắt, hộp sẽ dừng điều khiển máy nén và đưa ra mã lỗi này.
2. Giới thiệu
Tương tự như cảm biến áp suất, công tắc này cũng đóng vai trò quan trọng trong hoạt động của hệ thống điều hòa không khí trên ô tô.
Nhiệm vụ chính của nó là theo dõi áp suất môi chất lạnh trong hệ thống, nếu trường hợp áp suất nằm trong khoảng từ 2kgf/cm2 đến 32kgf/cm2 thì công tắc sẽ đóng lại (công tắc dạng ON/OFF) và gửi tín hiệu điện áp về cho hộp điều khiển A/C. Lúc này, hộp sẽ gửi tín hiệu đến máy nén (nơi điều khiển được áp suất đầu ra của môi chất) và đảm bảo môi chất lạnh hoạt động ở áp suất tối ưu.
Vị trí:
Công tắc áp suất được đặt ngoài khoang động cơ, nằm trên đường ống cao áp để theo dõi áp suất môi chất lạnh trong hệ thống.
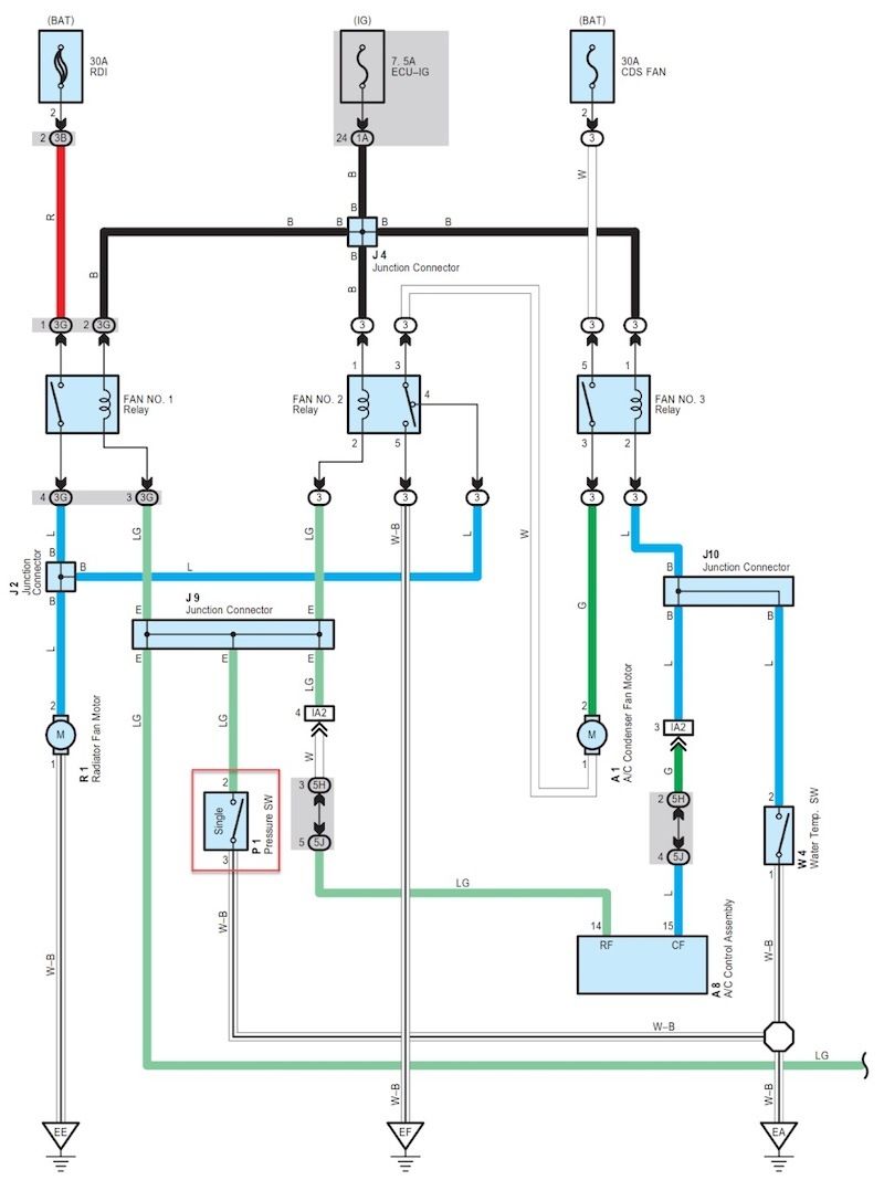
Sơ đồ mạch điện:
Mạch điện của công tắc áp suất thường có bốn dây:
- Hai dây 1 – 4: cặp tiếp điểm của công tắc áp suất.
- Hai dây 2 – 3: cặp tiếp điểm của công tắc điều khiển quạt giàn nóng.
3. Khoanh vùng hư hỏng
Những nguyên nhân có thể gây ra mã lỗi B1423:
- Áp suất môi chất trong hệ thống: nếu áp suất môi chất trong hệ thống nằm ngoài giá trị tiêu chuẩn (từ 2kgf/cm2 đến 32kgf/cm2), lúc này công tắc áp suất sẽ hở mạch, không gửi tín hiệu về hộp A/C và hộp sẽ báo lỗi trên.
- Hư công tắc áp suất: nếu sau khi đo áp suất môi chất bên trong hệ thống nằm trong giá trị tiêu chuẩn, nhưng công tắc vẫn không đóng lại để gửi tín hiệu về hộp (có thể dùng phương pháp đo thông mạch để kiểm tra), lúc này hộp cũng sẽ báo lỗi trên.
- Dây dẫn và giắc nối: kiểm tra các dây dẫn từ công tắc áp suất về đến hộp A/C Amplifier và về mass. Nếu trường hợp bị hở mạch hoặc ngắn mạch các dây dẫn của cảm biến áp suất cũng dẫn đến hư hỏng trên.
- Hư hộp A/C Amplifier: sau khi kiểm tra áp suất môi chất nằm trong khoảng cho phép, tín hiệu từ công tắc áp suất đã gửi đến hộp A/C nhưng hộp lúc này vẫn báo lỗi trên, thì lúc này hư hỏng đang vị trí hộp này.
4. Quy trình kiểm tra mã lỗi B1423
* Kiểm tra áp suất gas trong hệ thống:
- Bước 1: Gắn đồng hồ áp suất vào đường ống cao áp, thấp áp
- Bước 2: Đọc giá trị áp suất trên đồng hồ khi những điều kiện sau được thiết lập (cửa kính mở hoàn toàn, đặt nhiệt độ lạnh nhất, tốc độ quạt thổi cao nhất, bật công tắc A/C ON, bật công tắc lấy gió trong xe).
Thông số tiêu chuẩn: 14 – 16 kgf/cm2
Lưu ý: Nếu áp suất môi chất trong hệ thống nằm dưới 2 kgf/cm2, lượng môi chất lúc này giảm có thể vì lí do rò rỉ trong hệ thống.
* Kiểm tra công tắc áp suất:
- Bước 1: Rút giắc P1 của công tắc biến áp suất
- Bước 2: Nối chân số 1 và chân số 4 tại giắc công tắc áp suất (có thể dùng đoạn dây điện để nối)
- Bước 3: Bật công tắc IG ON
- Bước 4: Bật công tắc A/C ON và kiểm tra hoạt động của máy nén
Kết quả:
| Trạng thái | Kết quả |
| Khi nối chân 1 và chân 4 | Máy nén hoạt động |
| Khi ngắt kết nối chân 1 và chân 4 | Máy nén không hoạt động |
* Kiểm tra dây dẫn và giắc nối (từ công tắc áp suất về hộp A/C Amplifier và về mass)
- Bước 1: Rút giắc P1 của cảm biến biến áp suất
- Bước 2: Rút giắc A7 của hộp A/C Amplifier
- Bước 3: Đo giá trị điện trở giữa các dây từ công tắc về hộp
| Kiểm tra | Thông số |
| A7-6 (PSW) – P1-4 | Dưới 1 Ω |
| P1-1 – Body ground | Dưới 1 Ω |
| A7-6 (PSW) – Body ground | 10 kΩ hoặc cao hơn |
Kết quả:
| Kết quả | Đi đến |
| NG (Not Good) | A |
| OK (Kiểm tra từ bảng triệu chứng mã lỗi) | B |
| OK (Kiểm tra từ mã lỗi) | C |
* Thay thế hộp A/C Amplifier
Trên đây là toàn bộ thông tin về chủ đề hướng dẫn sửa chữa mã lỗi B1423 Pressure Switch Circuit trên xe Toyota Prius mà trung tâm VATC muốn gửi đến bạn. Hy vọng bài viết này sẽ bổ ích và hữu dụng với bạn.
Nếu bạn có đang đam mê hoặc muốn tìm hiểu về các khóa học trong ngành ô tô thì liên hệ ngay với trung tâm VATC theo thông tin dưới đây để được tư vấn chi tiết nhất nhé!
Trung Tâm Huấn Luyện Kỹ Thuật Ô Tô Việt Nam – VATC
- Địa chỉ: Số 4-6, Đường số 4, Phường Hiệp Bình Phước, Thành Phố Thủ Đức, Thành phố Hồ Chí Minh
- Điện thoại: 0945711717
- Email: info@oto.edu.vn
Xem thêm:










