Tìm hiểu chi tiết về chủ đề hệ thống phanh đỗ điện tử trên xe Audi qua bài viết kỹ thuật sau đây của trung tâm VATC nhé!
1. Cảm biến vị trí chân côn
Cảm biến vị trí bàn đạp ly hợp được gắn trực tiếp lên xi lanh chính bằng ngàm kẹp. Cảm biến này có nhiệm vụ phát hiện khi bàn đạp ly hợp được nhấn hoặc nhả.
Tín hiệu từ cảm biến được sử dụng cho các chức năng sau:
- Khởi động động cơ.
- Ngắt hệ thống kiểm soát hành trình khi người lái đạp ly hợp.
- Giảm tạm thời lượng phun nhiên liệu để tránh hiện tượng giật máy khi sang số.
- Kích hoạt chức năng “Hỗ trợ khởi hành động”của hệ thống phanh đỗ điện tử, giúp xe khởi hành mượt mà và không bị trôi dốc.
1.1. Thiết kế
Xy lanh chính của ly hợp được gắn vào giá đỡ bàn đạp bằng khớp nối kiểu bayonet. Khi bàn đạp ly hợp được nhấn, cần đẩy sẽ di chuyển piston bên trong xylanh chính.
1.2. Chức năng
Khi bàn đạp ly hợp được nhấn, cần đẩy và pít-tông truyền lực sẽ di chuyển theo hướng về phía cảm biến vị trí ly hợp.Ở đầu trước của pít-tông có gắn một nam châm vĩnh cửu. Bên trong cảm biến vị trí ly hợp có bố trí ba cảm biến Hall được lắp trên cùng một mạch.
Khi nam châm vĩnh cửu di chuyển ngang qua vùng của các cảm biến Hall, mạch điện tử trong cảm biến sẽ phát ra tín hiệu gửi đến các hộp điều khiển liên quan (ECU). Nhờ đó, hệ thống nhận biết chính xác trạng thái và mức độ nhấn bàn đạp ly hợp để điều khiển các chức năng tương ứng.
Cảm biến 1 là loại cảm biến hall. Nó gửi tín hiệu điện áp của mình đến hộp điều khiển động cơ.Tín hiệu này được sử dụng để ngắt hệ thống kiểm soát hành trình.
Cảm biến Hall 2 là loại cảm biến tương tự. Nó gửi tín hiệu điều chế độ rộng xung đến hộp điều khiển phanh đỗ điện tử.Nhờ tín hiệu này, hộp điều khiển có thể xác định chính xác vị trí của bàn đạp ly hợp và tính toán điểm nhả phanh tối ưu phục vụ cho chức năng hỗ trợ khởi hành động.
Cảm biến Hall 3 là loại cảm biến hall. Nó gửi tín hiệu điện áp đến hộp điều khiển cấp nguồn trên xe. Hộp điều khiển nhận biết rằng bàn đạp ly hợp đang được nhấn. Chỉ khi bàn đạp ly hợp được nhấn xuống, hệ thống mới cho phép khởi động động cơ.
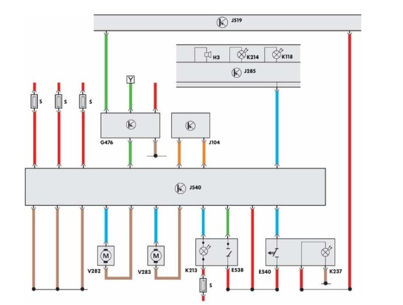
2. Hộp điều khiển phanh đỗ điện tử
Hộp điều khiển phanh đỗ điện tử được lắp bên trong xe, trong khu vực của cụm bảng điều khiển trung tâm.Tại đây, tất cả các chức năng điều khiển và chẩn đoán của hệ thống phanh đỗ điện tử đều được xử lý.
Hộp điều khiển phanh đỗ điện tử này được trang bị hai bộ vi xử lý và được kết nối với hộp điều khiển ABS thông qua một đường truyền dữ liệu CAN riêng biệt.
Một cụm cảm biến được tích hợp trong hộp điều khiển phanh đỗ điện tử.Cụm này bao gồm cảm biến gia tốc ngang, cảm biến gia tốc dọc và cảm biến tốc độ quay vòng.Tín hiệu từ cụm cảm biến này được sử dụng cho cả chức năng điều khiển phanh đỗ điện tử và chức năng điều khiển của hệ thống cân bằng điện tử ESP.Góc nghiêng của xe được tính toán dựa trên tín hiệu từ cảm biến gia tốc dọc.
3. Các chức năng của hệ thống phanh đỗ điện tử
Hệ thống phanh đỗ điện tử mang lại cho người lái các chức năng sau:
- Chức năng phanh đỗ.
- Hỗ trợ khởi hành động.
- Phanh khẩn cấp khi xe đang chạy.
- Chức năng giữ xe tự động.
Thông thường, hệ thống phân biệt hai chế độ hoạt động:
- Chế độ tĩnh khi tốc độ xe nhỏ hơn 7 km/h.
- Chế độ động khi tốc độ xe lớn hơn 7 km/h.
Ở chế độ tĩnh, phanh đỗ được kích hoạt và nhả bằng cơ cấu điện cơ. Trong trường hợp phanh ở chế độ động, xe sẽ được giảm tốc thông qua hệ thống ABS/ESP, nghĩa là tất cả các bánh xe đều được phanh bằng thủy lực.
3.1. Chức năng phanh đỗ
Hệ thống phanh đỗ điện tử đảm bảo giữ xe an toàn khi đỗ trên dốc có độ nghiêng lên đến 30%. Việc kích hoạt hoặc nhả phanh đỗ điện tử được thực hiện bằng cách nhấn nút điều khiển phanh đỗ điện tử.
3.2. Kích hoạt
Phanh đỗ điện tử có thể được kích hoạt bất kỳ lúc nào, kể cả khi khóa điện đã tắt. Nếu phanh đỗ được kích hoạt khi khóa điện tắt, đèn cảnh báo phanh đỗ điện tử trên nút điều khiển và đèn cảnh báo phanh trên bảng táp-lô sẽ sáng. Khi người lái nhấn nút phanh đỗ điện tử trong lúc khóa điện tắt, cả hai đèn cảnh báo này chỉ sáng khoảng 30 giây rồi tự tắt.
3.3. Nhả phanh
Việc nhả phanh đỗ điện tử chỉ có thể thực hiện khi chìa khóa được bật. Phanh đỗ điện tử được nhả bằng cách đồng thời nhấn bàn đạp phanh và nhấn nút điều khiển phanh đỗ điện tử.
Khi người lái thắt dây an toàn, đóng cửa và khởi động động cơ, phanh đỗ điện tử sẽ tự động nhả khi người lái nhấn bàn đạp ga để xe bắt đầu di chuyển. Điểm nhả phanh được hộp điều khiển tính toán dựa trên góc nghiêng của xe và mô-men xoắn của động cơ. Sau khi phanh được nhả hoàn toàn, các đèn cảnh báo trên nút điều khiển và trên bảng táp-lô sẽ tắt.
3.4. Hỗ trợ khởi hành chủ động
Hệ thống hỗ trợ khởi hành chủ động cho phép xe xuất phát mượt mà, không giật và không trôi ngược khi phanh đỗ đang hoạt động, ngay cả trên dốc.
Điều kiện chức năng hoạt động:
- Cửa lái được đóng.
- Dây an toàn được thắt.
- Động cơ đang hoạt động.
Điểm nhả phanh đỗ điện phụ thuộc vào các thông số sau:
- Góc nghiêng: Được tính toán trong hộp điều khiển EPB dựa trên tín hiệu từ cảm biến gia tốc theo phương dọc.
- Mô-men động cơ.
- Vị trí bàn đạp ga.
- Tác động ly hợp: Trên xe số sàn, tín hiệu từ cảm biến vị trí ly hợp được đánh giá.
- Hướng di chuyển mong muốn:
-
- Trên xe số tự động, xác định qua cần số.
- Trên xe số sàn, xác định qua công tắc đèn lùi.
3.5. Xuất phát khi phanh đỗ đang kích hoạt
- Xe không cần giữ bằng bàn đạp phanh khi đứng chờ đèn đỏ, ví dụ nếu phanh đỗ đang được kích hoạt.
- Ngay khi nhấn bàn đạp ga, phanh đỗ sẽ tự động nhả và xe bắt đầu di chuyển.
3.6. Khởi hành ngang dốc
- Việc lái xe trên dốc trở nên dễ dàng hơn, ví dụ:
- Khi từ từ nhả phanh đỗ.
- Vận hành đồng thời ly hợp và bàn đạp ga.
- Nhập làn.
- Tránh trôi ngược không mong muốn, vì phanh đỗ không được nhả cho đến khi mô-men lực kéo của xe lớn hơn lực kéo xe về phía sau (được hộp điều khiển xác định).
Xe đang đứng yên. Phanh đỗ đang tác động. Người lái muốn xuất phát, chọn số 1 và nhấn bàn đạp ga.Sau khi đánh giá các tham số (góc nghiêng, mô-men động cơ, vị trí bàn đạp ga, tác động ly hợp hoặc số đã chọn trên xe số tự động), hộp điều khiển phanh đỗ tính toán lực kéo xe về phía sau.
Nếu mô-men lực kéo của xe lớn hơn lực kéo về phía sau, như được xác định bởi hộp điều khiển phanh đỗ,thì phanh đỗ ở bánh sau được nhả. Xe xuất phát mà không trôi ngược.
3.7. Dừng khẩn cấp
Nếu bàn đạp phanh mất chức năng hoặc bị kẹt, xe có thể được phanh gấp bằng chức năng dừng khẩn cấp động.
3.8. Kích hoạt
- Nhấn và giữ nút phanh đỗ. Xe đang di chuyển sẽ bị phanh với gia tốc khoảng 6 m/s².
- Đồng thời, tín hiệu cảnh báo âm thanh được kích hoạt và đèn phanh bật sáng.
- Chức năng dừng khẩn cấp động được thực hiện thông qua tạo áp suất phanh thủy lực ở cả 4 bánh nếu tốc độ xe lớn hơn 7 km/h.
- Quá trình phanh được kiểm soát tùy theo tình huống lái bởi chức năng ABS/ESP, đảm bảo ổn định xe trong khi phanh.
- Nếu nhấn nút phanh đỗ khi xe di chuyển với tốc độ dưới 7 km/h, phanh đỗ sẽ được tác động.
3.9. Nhả phanh
Nếu tốc độ xe lớn hơn 7 km/h sau khi thực hiện dừng khẩn cấp động, phanh sẽ được nhả bằng cách nhả nút phanh đỗ hoặc nhấn bàn đạp ga.
Khi xe đã dừng hẳn, phanh giữ phải được nhả theo cách tương tự như chức năng phanh đỗ.
- Người lái nhấn và giữ nút phanh đỗ.
- Hộp điều khiển phanh đỗ giao tiếp với hộp điều khiển ABS qua mạng CAN riêng và xác định xem tốc độ xe có lớn hơn 7 km/h hay không.
- Bơm thủy lực được hộp điều khiển ABS điều khiển và áp suất phanh thủy lực được tạo ra trên các đường dầu tới 4 bánh. Xe được giảm tốc.
- Nếu nhả nút phanh đỗ hoặc nhấn bàn đạp ga, tín hiệu này được hộp điều khiển phanh đỗ xử lý.
- Hộp điều khiển phanh đỗ tiếp tục giao tiếp với hộp điều khiển ABS qua mạng CAN và xác định xem tốc độ xe còn lớn hơn 7 km/h hay không.
- Bơm thủy lực được hộp điều khiển ABS tác động và áp suất phanh thủy lực giảm. Phanh được nhả.
4. Chức năng AUTOHOLD
Chức năng autohold được thiết kế để hỗ trợ người lái khi xe đang đứng yên và khi xuất phát (tiến hoặc lùi). Chức năng autohold kết hợp các chức năng hỗ trợ sau:
Bằng cách nhấn nút autohold trên bảng điều khiển trung tâm, người lái có thể sử dụng chức năng autohold. Khi chức năng được kích hoạt, đèn cảnh báo trên nút sáng lên.Để tắt chức năng autohold, nhấn lại nút autohold. Đèn cảnh báo trên nút sẽ tắt.
4.1. Hỗ trợ dừng và đi
Vì người lái không còn phải giữ xe bằng bàn đạp phanh, việc lái xe trong giao thông chậm trở nên dễ dàng hơn.
4.2. Hỗ trợ xuất phát
Tự động hóa quá trình giữ xe và xuất phát hỗ trợ xuất phát trên dốc.Tránh trôi ngược không mong muốn.
4.3. Đỗ xe tự động
Nếu xe được đỗ với chức năng autohold đang kích hoạt và cửa lái được mở, dây an toàn được tháo ra hoặc chìa khóa tắt, phanh đỗ sẽ được kích hoạt tự động.
Chức năng autohold chỉ có thể được kích hoạt khi:
- Cửa lái được đóng.
- Dây an toàn được thắt.
- Động cơ đang hoạt động.
Ngay khi một trong ba điều kiện trên thay đổi, chức năng autohold sẽ tắt.Chức năng phải được kích hoạt lại mỗi khi bật chìa khóa bằng cách nhấn nút autohold.
Chức năng Autohold đảm bảo việc giữ xe tự động và kiểm soát khi xe đứng yên, bất kể xe đã dừng như thế nào.
4.4. Áp suất phanh
Khi xe đứng yên, xe luôn được giữ bởi bốn phanh thủy lực ở các bánh khi chức năng autohold đang hoạt động. Người lái có thể tạo áp suất phanh bằng cách nhấn bàn đạp phanh. Áp suất phanh được giữ ở mức này nhờ van trong bộ ABS đóng và người lái không còn phải giữ chân trên bàn đạp phanh. Xe được giữ cố định tại vị trí. Chức năng autohold đảm bảo việc giữ xe tự động và kiểm soát khi xe đứng yên, bất kể xe đã dừng như thế nào.
Nếu người lái không nhấn bàn đạp phanh và xe bắt đầu di chuyển từ trạng thái dừng, chức năng ESP sẽ kích hoạt. Quá trình nạp thủy lực được thực hiện, nghĩa là áp suất phanh được tạo ra thông qua bơm ABS.
Sau ba phút xe được giữ yên, việc chuyển đổi từ thủy lực ESP sang phanh đỗ diễn ra.
- Chức năng autohold đang hoạt động. Xe đứng yên và được giữ tại vị trí bởi bốn phanh bánh xe. Áp suất cần thiết cho việc này được hộp điều khiển ABS tính toán và thiết lập tùy theo độ dốc.
- Sau 3 phút, hệ thống chuyển sang phanh đỗ. Mô-men giữ đã được tính toán được truyền từ hộp điều khiển ABS sang hộp điều khiển phanh đỗ.
- Cả hai mô-tơ phanh đỗ ở bánh sau được hộp phanh đỗ điều khiển. Phanh được tác động điện và áp suất phanh được giảm tự động.
5. Chế độ kiểm tra xe
5.1. Kích hoạt
Để kiểm tra chức năng của phanh đỗ, cần phải kiểm tra trên băng thử.
Chế độ kiểm tra xe được nhận biết khi:
- Chìa khóa bật.
- Chức năng autohold tắt.
- Bánh trước không chuyển động.
- Bánh sau được dẫn động trong ít nhất 5 giây với tốc độ ổn định từ 2,5 đến 9 km/h.
Kích hoạt chế độ kiểm tra xe được báo bằng đèn cảnh báo lỗi phanh đỗ sáng trên bảng điều khiển.Khi nhấn nút phanh đỗ, lực phanh được tác động theo từng bước.Việc tác động phanh đỗ được điều chỉnh bởi hộp điều khiển phanh đỗ.
Nhấn nút phanh đỗ bốn lần liên tiếp sẽ làm piston phanh di chuyển một khoảng xác định để tăng lực phanh đỗ theo từng bước. Lần nhấn thứ năm sẽ dẫn đến việc nhả phanh đỗ.
5.2. Tắt chế độ
Chế độ kiểm tra xe sẽ tắt khi các điều kiện sau được thỏa mãn:
- Bánh trước chuyển động với tốc độ lớn hơn 0 km/h
- Bánh sau chuyển động với tốc độ nhỏ hơn 2,5 km/h hoặc lớn hơn 9 km/h
- Chìa khóa tắt
5.3. Hiệu chỉnh khoảng hở má phanh
- Khoảng hở má phanh được hiệu chỉnh theo chu kỳ khi xe đứng yên. Nếu phanh đỗ không được tác động trong quãng đường 1000 km, việc hiệu chỉnh khoảng hở má phanh sẽ được thực hiện tự động.
- Để thực hiện, má phanh sẽ được ép vào đĩa phanh từ vị trí khởi đầu (vị trí zero). Hộp điều khiển phanh đỗ tính toán hành trình dựa trên dòng điện hiện tại của mô-tơ điện và nhờ đó có thể bù hao mòn má phanh.
5.4 Chế độ thay má phanh
- Việc thay má phanh được thực hiện khi phanh đỗ không tác động.
- Với sự hỗ trợ của hệ thống chẩn đoán, kiểm tra và thông tin của xe VAS 5051, phanh đỗ được mở hoàn toàn, đồng thời đai ấn được đẩy lùi hoàn toàn trên trục vít.
- Việc đặt lại phanh đỗ được thực hiện lại bằng hệ thống chẩn đoán. Vị trí mới của má phanh sẽ được điều chỉnh tự động.
6. Mạng dữ liệu CAN cho phanh đỗ
Hộp điều khiển phanh đỗ được kết nối với hộp điều khiển ABS thông qua một mạng dữ liệu CAN riêng.
Tốc độ truyền dữ liệu của mạng CAN riêng cho phanh đỗ là 500 kbit/s. Mạng dữ liệu CAN cho phanh đỗ không tương thích với dây đơn. Nếu một dây CAN bị hỏng, việc truyền dữ liệu sẽ không thực hiện được.
Trên đây là toàn bộ thông tin về chủ đề hệ thống phanh đỗ điện tử trên xe Audi mà trung tâm VATC muốn gửi đến bạn. Hy vọng bài viết này sẽ bổ ích và hữu dụng với bạn.
Nếu bạn có đang đam mê hoặc muốn tìm hiểu về các khóa học trong ngành ô tô thì liên hệ ngay với trung tâm VATC theo thông tin dưới đây để được tư vấn chi tiết nhất nhé!
Trung Tâm Huấn Luyện Kỹ Thuật Ô Tô Việt Nam – VATC
- Địa chỉ: Số 4-6, Đường số 4, Phường Hiệp Bình Phước, Thành Phố Thủ Đức, Thành phố Hồ Chí Minh
- Điện thoại: 0945711717
- Email: info@oto.edu.vn
Xem thêm:
















