Mô tơ nâng hạ kính loại mặt trượt gồm động cơ DC, hộp số giảm tốc, thanh trượt dẫn hướng và cụm bánh răng truyền động. Kết hợp công tắc/ECU cửa và cảm biến chống kẹt, hệ thống điều khiển vị trí kính mượt, chính xác. Bài viết trình bày cấu tạo, nguyên lý hoạt động, lỗi thường gặp (kẹt ray, mòn bánh răng, đứt cáp, cháy mô tơ) và quy trình kiểm tra – bảo dưỡng.
1. Tổng quan hệ thống Auto nâng hạ kính sử dụng mô tơ nâng hạ kính cảm biến dạng trượt
Hệ thống Auto nâng hạ kính (Auto Power Window) là một hệ thống điều khiển điện được trang bị trên ô tô hiện đại, cho phép người lái hoặc hành khách điều khiển việc nâng và hạ kính cửa xe một cách tự động chỉ với một thao tác nhấn nút ngắn. Khác với hệ thống nâng hạ kính thông thường, hệ thống Auto có khả năng tự động chạy hết hành trình kính mà không cần giữ công tắc.
Hệ thống này giúp nâng cao sự tiện nghi, an toàn và trải nghiệm người dùng. Ngoài chức năng nâng/hạ tự động, hệ thống còn được tích hợp các tính năng bảo vệ như chống kẹt (anti-pinch), khóa kính trẻ em, và điều khiển tập trung từ cửa người lái.
2. Cấu tạo
Mô tơ nâng hạ kính loại cảm biến dạng trượt là loại mô tơ tích hợp, trong đó ngoài chức năng truyền động nâng hạ kính, bên trong còn được bố trí cơ cấu tạo xung tốc độ và công tắc hạn chế hành trình. Việc tích hợp này giúp hệ thống có thể thực hiện các chức năng tự động nâng/hạ kính và chống kẹt một cách chính xác mà không cần cảm biến gắn rời bên ngoài.
Cấu tạo bên trong mô tơ gồm các bộ phận chính sau:
2.1 Động cơ điện một chiều (DC Motor)
Động cơ điện một chiều là phần tử chính tạo ra chuyển động quay cho hệ thống.
Khi được cấp nguồn từ ắc quy, động cơ biến đổi điện năng thành cơ năng làm quay trục mô tơ. Chiều quay của động cơ phụ thuộc vào chiều dòng điện cấp vào, nhờ đó mô tơ có thể quay theo hai chiều để thực hiện chức năng nâng hoặc hạ kính. Động cơ DC được lựa chọn do có cấu tạo đơn giản, mô-men khởi động lớn và dễ điều khiển đảo chiều.
2.2 Cụm bánh răng giảm tốc
Trục mô tơ nối trực tiếp với cụm bánh răng giảm tốc dạng hành tinh, bao gồm bánh răng mặt trời, các bánh răng hành tinh và bánh răng bao. Cụm bánh răng này có nhiệm vụ:
- Giảm tốc độ quay lớn của mô tơ xuống mức phù hợp
- Tăng mô-men xoắn để đảm bảo đủ lực nâng hạ kính
- Giúp chuyển động của kính diễn ra êm, hạn chế rung giật
Bánh răng bao đồng thời là chi tiết truyền chuyển động đến cơ cấu tạo xung và đĩa cam bên trong mô tơ.
2.3 Vành răng và đĩa tạo xung
Trên bánh răng bao được tích hợp vành răng tạo xung và đĩa cam. Khi mô tơ hoạt động, bánh răng bao quay làm vành răng và đĩa cam quay theo. Đĩa cam có hình dạng đặc biệt, khi quay sẽ liên tục tác động lên các tiếp điểm trượt, tạo ra các xung điện có dạng ON/OFF.
Tần số của các xung điện này tỷ lệ thuận với tốc độ quay của mô tơ, do đó có thể dùng để xác định tốc độ nâng hạ kính và giám sát trạng thái hoạt động của hệ thống.
2.4 Cụm tiếp điểm trượt – cảm biến tốc độ
Cụm tiếp điểm trượt gồm các lá tiếp điểm kim loại bố trí tiếp xúc trực tiếp với vành răng hoặc đĩa tạo xung. Khi đĩa cam quay:
- Tại thời điểm tiếp điểm đóng, mạch điện được nối → tín hiệu ON
- Khi tiếp điểm mở, mạch điện bị ngắt → tín hiệu OFF
Chuỗi tín hiệu ON/OFF liên tục này được gửi về bộ điều khiển cửa (Door ECU). Dựa vào số lượng và tần số xung, bộ điều khiển có thể:
- Xác định tốc độ quay của mô tơ
- Nhận biết chiều chuyển động của kính
- Phát hiện sự giảm tốc đột ngột khi kính gặp vật cản (phục vụ chức năng chống kẹt)
2.5 Công tắc hạn chế hành trình (Limit switch)
Trong mô tơ còn được tích hợp công tắc hạn chế hành trình, làm việc đồng bộ với đĩa cam và dây kéo kính. Khi kính di chuyển đến vị trí cuối hành trình:
- Full Close (kính đóng hoàn toàn)
- Full Open (kính mở hoàn toàn)
Công tắc hạn chế sẽ chuyển trạng thái ON/OFF để báo cho bộ điều khiển biết kính đã đến giới hạn. Nhờ đó, hệ thống tự động ngắt chế độ Auto, tránh cho mô tơ tiếp tục quay gây quá tải hoặc hư hỏng cơ cấu cơ khí.
2.6 Vỏ mô tơ và hệ thống giắc điện
Toàn bộ động cơ, bánh răng, đĩa cam, tiếp điểm trượt và công tắc hạn chế được lắp đặt trong vỏ mô tơ kín. Vỏ mô tơ có nhiệm vụ:
- Bảo vệ các chi tiết cơ khí và điện bên trong
- Chống bụi, chống ẩm
- Đảm bảo độ bền và độ ổn định khi làm việc lâu dài
Giắc điện được bố trí bên ngoài mô tơ để cấp nguồn cho động cơ và truyền tín hiệu xung từ cảm biến tốc độ về bộ điều khiển.
3. Nguyên lý hoạt động
3.1 Nguyên lý xử lý tín hiệu chống kẹt của hệ thống Auto nâng hạ kính
Chức năng chống kẹt (Anti-pinch) trong hệ thống Auto nâng hạ kính được thực hiện dựa trên việc giám sát tín hiệu tốc độ của mô tơ thông qua cảm biến tốc độ dạng trượt tích hợp bên trong mô tơ.
Hệ thống không sử dụng cảm biến lực riêng biệt mà phát hiện kẹt gián tiếp thông qua sự thay đổi bất thường của tốc độ quay mô tơ.
3.2 Nguyên lý tạo và thu nhận tín hiệu tốc độ
Khi mô tơ nâng hạ kính hoạt động, chuyển động quay của trục mô tơ được truyền qua cụm bánh răng giảm tốc đến bánh răng bao và đĩa tạo xung. Đĩa cam quay liên tục tác động lên các tiếp điểm trượt, tạo ra chuỗi tín hiệu xung điện ON/OFF.
Các đặc điểm của tín hiệu xung:
- Tín hiệu có dạng xung vuông
- Tần số xung tỷ lệ thuận với tốc độ quay của mô tơ
- Khi kính di chuyển bình thường, tần số xung ổn định
Chuỗi xung này được truyền về bộ điều khiển cửa (Door ECU) hoặc mạch điều khiển trong mô tơ để làm tín hiệu phản hồi tốc độ.
3.3 Nguyên lý phát hiện kẹt kính
Trong điều kiện bình thường, khi kính nâng lên hoặc hạ xuống:
- Mô-men tải thay đổi nhỏ
- Tốc độ mô tơ gần như không đổi
- Tần số xung từ cảm biến ổn định
Khi kính gặp vật cản (tay người, dị vật, ma sát tăng bất thường):
- Lực cản tác dụng lên kính tăng đột ngột
- Mô-men tải của mô tơ tăng
- Tốc độ quay của mô tơ giảm nhanh
- Tần số xung ON/OFF giảm rõ rệt hoặc gián đoạn
Bộ điều khiển liên tục so sánh:
- Tần số xung hiện tại
- Tần số xung tham chiếu (trạng thái bình thường)
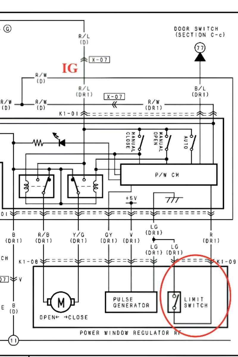
4. Sơ đồ mạch điện
5. Kiểm tra
Việc kiểm tra hệ thống Auto nâng hạ kính sử dụng mô tơ có cảm biến tốc độ dạng trượt nhằm đánh giá tình trạng làm việc của mô tơ, mạch điều khiển, cảm biến tạo xung và chức năng chống kẹt.
Quá trình kiểm tra được thực hiện theo các bước sau:
5.1 Kiểm tra trực quan
Kiểm tra vỏ mô tơ, giắc điện và dây dẫn có bị nứt vỡ, oxi hóa hay lỏng giắc hay không.
Kiểm tra cơ cấu nâng hạ kính, ray trượt và dây kéo kính có bị kẹt cơ khí, mòn hoặc bám bẩn gây tăng lực cản hay không.
5.2 Kiểm tra nguồn cấp và mạch điện
Kiểm tra cầu chì và rơ-le cấp nguồn cho hệ thống nâng hạ kính.
Đo điện áp cấp tại giắc mô tơ khi nhấn công tắc, điện áp phải xấp xỉ điện áp ắc quy.
Kiểm tra mạch đảo chiều cấp nguồn cho mô tơ khi nâng và hạ kính.
5.3 Kiểm tra mô tơ nâng hạ kính
Cấp nguồn trực tiếp cho mô tơ để kiểm tra khả năng quay hai chiều.
Quan sát tiếng ồn, độ rung và tốc độ quay của mô tơ; mô tơ phải quay êm, không bị giật cục hoặc phát ra tiếng kêu bất thường.
Nếu mô tơ quay yếu hoặc không quay, kiểm tra chổi than và cổ góp.
5.4 Kiểm tra cảm biến tốc độ dạng trượt
Đo tín hiệu tại chân cảm biến tạo xung khi mô tơ hoạt động.
Quan sát tín hiệu ON/OFF dạng xung, tần số xung phải thay đổi theo tốc độ nâng hạ kính.
Nếu tín hiệu xung không ổn định hoặc mất xung, kiểm tra tiếp điểm trượt, đĩa tạo xung và độ mòn của các lá tiếp điểm.
5.5 Kiểm tra công tắc hạn chế hành trình
Vận hành kính đến vị trí Full Open và Full Close, kiểm tra sự thay đổi trạng thái của công tắc hạn chế.
Đảm bảo công tắc ngắt chế độ Auto khi kính đến cuối hành trình, tránh hiện tượng mô tơ tiếp tục quay gây quá tải.
5.6 Kiểm tra chức năng Auto và chống kẹt
Thử chế độ Auto bằng cách nhấn sâu công tắc, kính phải tự động chạy hết hành trình.
Trong quá trình kính đang đóng, đặt vật cản mềm (tay hoặc vật đàn hồi) để kiểm tra chức năng chống kẹt.
Hệ thống phải phát hiện kẹt và ngắt hoặc đảo chiều mô tơ kịp thời, đảm bảo an toàn.
Hy vọng với những chia sẻ trên của VATC đã giúp bạn hiểu hơn về chủ đề mô tơ nâng hạ kính loại mặt trượt. Mong rằng bài viết này sẽ bổ ích và hữu dụng với bạn.
Nếu bạn có đang đam mê hoặc muốn tìm hiểu về các khóa học trong ngành ô tô thì liên hệ ngay với trung tâm VATC theo thông tin dưới đây để được tư vấn chi tiết nhất nhé!
Trung Tâm Huấn Luyện Kỹ Thuật Ô Tô Việt Nam – VATC
- Địa chỉ: Số 4-6, Đường số 4, Phường Hiệp Bình Phước, Thành Phố Thủ Đức, Thành phố Hồ Chí Minh
- Điện thoại: 0945711717
- Email: info@oto.edu.vn
Xem thêm:




