Bài viết sau của trung tâm VATC sẽ phân tích chi tiết về pin cao áp trên xe Hybrid Prius 2007, cách ghép module Ni-MH, các cảm biến giám sát, hệ thống làm mát, mạch điện và những điểm kỹ thuật quan trọng mà kỹ thuật viên cần nắm khi kiểm tra – sửa chữa xe hybrid.
1. Giới thiệu chung
Pin cao áp trên xe Hybrid Prius được đặt phía băng ghế sau của xe, có điện áp cao để giúp động cơ điện hoạt động hiệu quả, giảm tổn thất năng lượng.
Thay vì điện áp 12/24 Volts thông thường, Điện áp pin xe Hybrid Prius là khoảng 200V.
2. Các thành phần của khối Pin
- Lõi Pin (Battery Module)
- Các cảm biến (Temperature Sensor, Current Sensor)
- Quạt làm mát (Cooling Fan)
- Rơ le nguồn (SMR)
- Hộp quản lý Pin (BMS)
- Giắc ngắt Pin thủ công (Service Plug)
Có thể bạn quan tâm: Khóa học Kỹ thuật sửa chữa xe ô tô Điện – xe ô tô Hybrid
3. Cấu trúc lắp ghép lõi pin
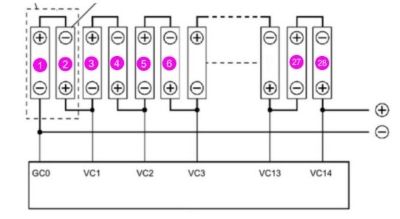
Pin này được cấu tạo từ cell pin Ni-MH (1.2V mỗi cell), các cell Pin này được đóng gói thành Module loại dẹp 6 Cell (7.2V). Nguyên Pack Pin thì được ghép từ 28 mô-đun nối tiếp nhau để cho ra điện áp tổng là 201.6V.
Sơ đồ kết nối điện:
Data các Cell Pin:
4. Sơ đồ mạch điện chi tiết toàn Pack Pin
Trên đây là toàn bộ thông tin về chủ đề Pin cao áp trên xe Hybrid Prius 2007 mà trung tâm VATC muốn gửi đến bạn. Hy vọng bài viết này sẽ bổ ích và hữu dụng với bạn.
Nếu bạn có đang đam mê hoặc muốn tìm hiểu về các khóa học trong ngành ô tô thì liên hệ ngay với trung tâm VATC theo thông tin dưới đây để được tư vấn chi tiết nhất nhé!
Trung Tâm Huấn Luyện Kỹ Thuật Ô Tô Việt Nam – VATC
- Địa chỉ: Số 4-6, Đường số 4, Phường Hiệp Bình Phước, Thành Phố Thủ Đức, Thành phố Hồ Chí Minh
- Điện thoại: 0945711717
- Email: info@oto.edu.vn
Xem thêm:








